LH SEAT — With Heated Seats
| 1. | Seatback board | 2. | Seat cushion trim | 3. | Seat cushion pad (with heated seats) |
| 4. | Seat cushion link cover (RH) | 5. | Seat cushion hinge cover | 6. | Seat cushion frame |
| 7. | Seat cushion link cover (LH) | 8. | LATCH bracket | 9. | Seat harness (LH) |
| 10. | Reclining device inner cover (LH) | 11. | Reclining device connecting rod | 12. | Reclining device assembly |
| 13. | Seat bracket | 14. | Reclining device outer cover (LH) | 15. | Pull strap |
| 16. | Recline release cable assembly | 17. | Headrest | 18. | Seatback assembly |
| 19. | Headrest holder (free) | 20. | Headrest holder (locked) | 21. | Reclining device inner cover (RH) |
| 22. | Reclining device outer cover (RH) | A. | Refer to Removal and Installation. | B. | Grommet |
![]() |
Clip | ![]() |
Pawl |
LH SEAT — Without Heated Seats
| 1. | Seatback board | 2. | Seat cushion trim | 3. | Seat cushion pad (without heated seats) |
| 4. | Seat cushion link cover (RH) | 5. | Seat cushion hinge cover | 6. | Seat cushion frame |
| 7. | Seat cushion link cover (LH) | 8. | LATCH bracket | 9. | Seat harness (LH) |
| 10. | Reclining device inner cover (LH) | 11. | Reclining device connecting rod | 12. | Reclining device assembly |
| 13. | Seat bracket | 14. | Reclining device outer cover (LH) | 15. | Pull strap |
| 16. | Recline release cable assembly | 17. | Headrest | 18. | Seatback assembly |
| 19. | Headrest holder (free) | 20. | Headrest holder (locked) | 21. | Reclining device inner cover (RH) |
| 22. | Reclining device outer cover (RH) | A. | Refer to Removal and Installation. | B. | Grommet |
![]() |
Clip | ![]() |
Pawl |
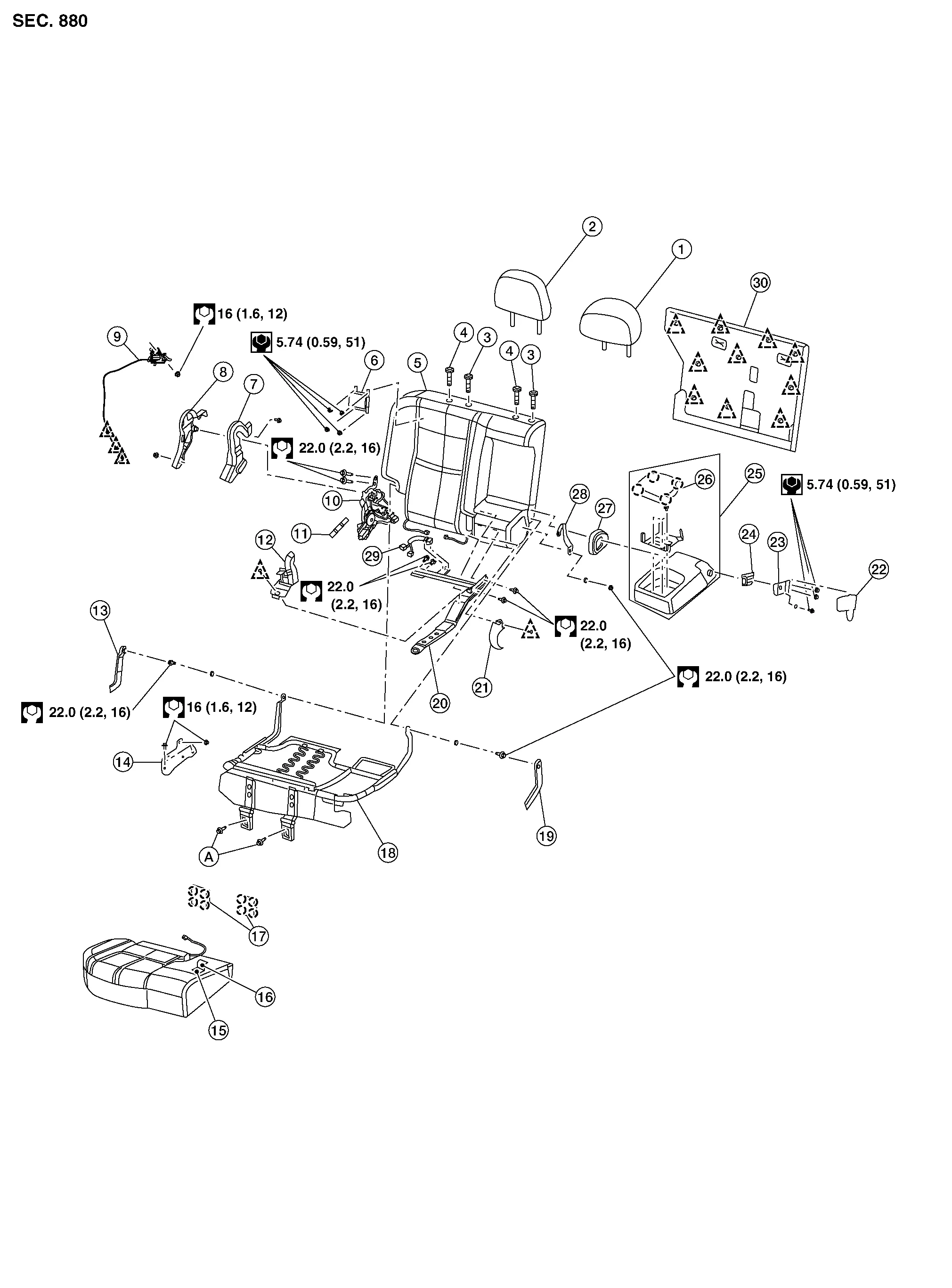
RH SEAT — WITH HEATED SEATES
| 1. | Headrest (center) | 2. | Headrest (RH) | 3. | Headrest holder (free) |
| 4. | Headrest holder (locked) | 5. | Seatback assembly | 6. | Dampener |
| 7. | Reclining device inner finisher (RH) | 8. | Reclining device outer finisher (RH) | 9. | Recline release cable assembly |
| 10. | Reclining device assembly | 11. | Pull strap | 12. | Reclining device outer cover (LH) |
| 13. | Seat cushion link cover (RH) | 14. | Seat bracket | 15. | Seat cushion pad (with heated seats) |
| 16. | Seat cushion trim | 17. | Seat cushion hinge cover | 18. | Seat cushion frame |
| 19. | Seat cushion link cover (LH) | 20. | LATCH bracket | 21. | Reclining device inner finisher (LH) |
| 22. | Armrest bracket outer finisher (LH) | 23. | Armrest outer bracket | 24. | Armrest bracket inner finisher (LH) |
| 25. | Armrest assembly | 26. | Cup holder | 27. | Armrest bracket finisher (RH) |
| 28. | Armrest inner bracket | 29. | Seat harness | 30. | Seatback board |
| A. | Refer to Removal and Installation. | ![]() |
Clip | ![]() |
Pawl |
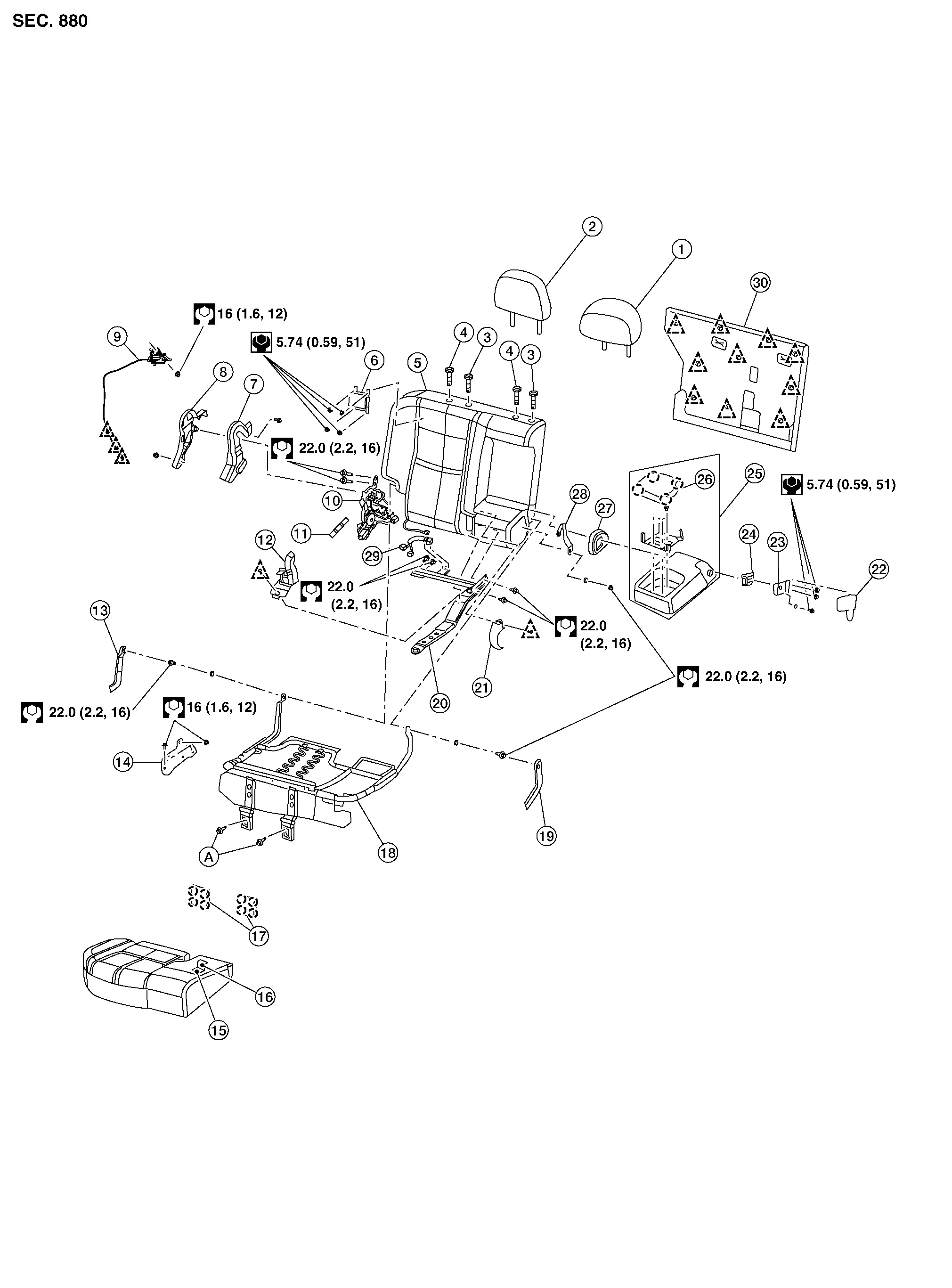
RH SEAT — WITHOUT HEATED SEATES
| 1. | Headrest (center) | 2. | Headrest (RH) | 3. | Headrest holder (free) |
| 4. | Headrest holder (locked) | 5. | Seatback assembly | 6. | Dampener |
| 7. | Reclining device inner finisher (RH) | 8. | Reclining device outer finisher (RH) | 9. | Recline release cable assembly |
| 10. | Reclining device assembly | 11. | Pull strap | 12. | Reclining device outer cover (LH) |
| 13. | Seat cushion link cover (RH) | 14. | Seat bracket | 15. | Seat cushion pad (without heated seats) |
| 16. | Seat cushion trim | 17. | Seat cushion hinge cover | 18. | Seat cushion frame |
| 19. | Seat cushion link cover (LH) | 20. | LATCH bracket | 21. | Reclining device inner finisher (LH) |
| 22. | Armrest bracket outer finisher (LH) | 23. | Armrest outer bracket | 24. | Armrest bracket inner finisher (LH) |
| 25. | Armrest assembly | 26. | Cup holder | 27. | Armrest bracket finisher (RH) |
| 28. | Armrest inner bracket | 29. | Seat harness | 30. | Seatback board |
| A. | Refer to Removal and Installation. | ![]() |
Clip | ![]() |
Pawl |
Front Seat
Lh SeatYour vehicle seats can be adjusted manually. For additional information about adjusting the seats, refer to the steps outlined in this section.
Forward and backward
