Nissan Murano: Starting System :: System Description / Starting System
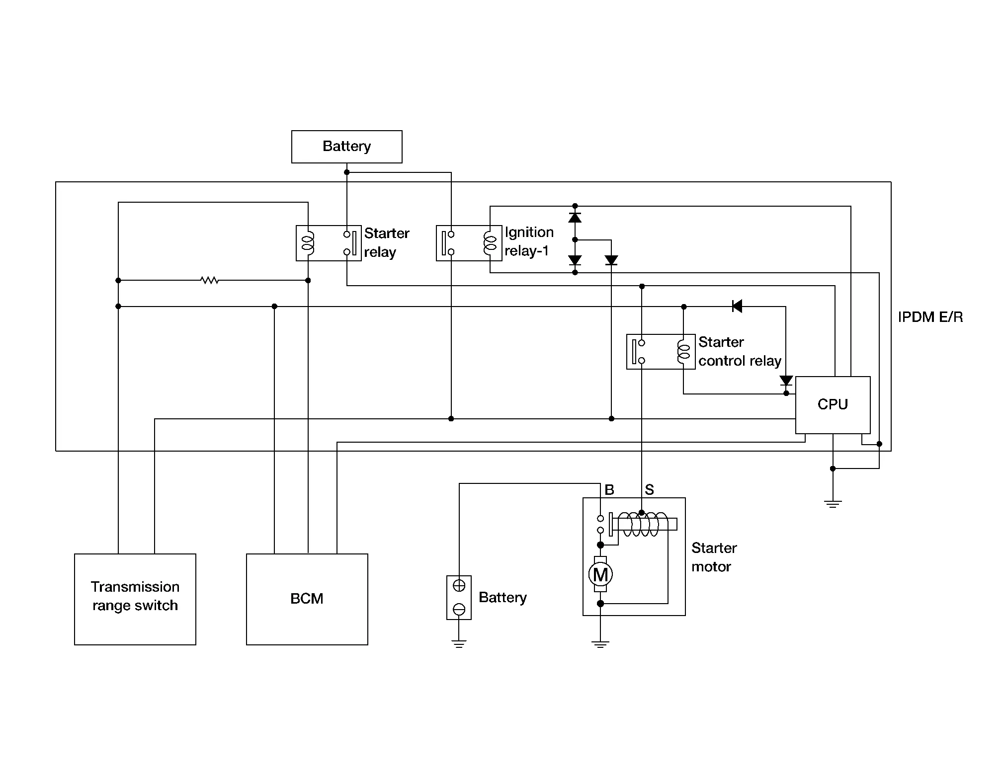
System Diagram

System Description
The starter motor plunger closes and provides a closed circuit between the battery and the starter motor. The starter motor is grounded to the cylinder block. With power and ground supplied, the starter motor operates.
Component Parts Location
: Vehicle front A.
Engine room left side
B.
Engine room center
(view with engine removed)
C.
Engine room left side
(view with transmission removed)
D...
Work Flow (With 165-DSS-5000P)
STARTING SYSTEM DIAGNOSIS WITH 165-DSS-5000PTo test the starting system, use the following special service tool:
Battery and electrical diagnostic analyzer 165-DSS-5000P...
Other information:
DTC Description
DTC DETECTION LOGICRationally incorrect voltage is sent to ECM compared with the signals from APP sensor 1 and APP sensor 2. DTC
CONSULT screen terms
(Trouble diagnosis content)
DTC detection condition
P2138
APP SENSOR
(Throttle/Pedal position sensor/switch “D” / “E” voltage correlation)
Diagnosis condition
Start engine and let it idle
Signal (terminal)
APP sensor 1 signal and APP sensor 2 signal
Threshold
Rationally incorrect voltage is sent to ECM compared with the signals from APP sensor 1 and APP sensor 2
Diagnosis delay time
—
POSSIBLE CAUSE
Harness or connector
(APP sensor 1 or 2 circuit is open or shorted...
DTC Description
DTC DETECTION LOGIC
An excessively low voltage from the sensor is sent to ECM.
An excessively high voltage from the sensor is sent to ECM.
DTC
CONSULT screen terms
(Trouble diagnosis content)
DTC detection condition
P0117
ECT SEN/CIRC
(Engine coolant temperature sensor 1 circuit low)
Diagnosis condition
Ignition switch ON
Signal (terminal)
Voltage signal transmitted from engine coolant temperature sensor to ECM
Threshold
An excessively low voltage from the sensor is sent to ECM
Diagnosis delay time
—
P0118
ECT SEN/CIRC
(Engine coolant temperature sensor 1 circuit high)
Diagnosis condition
Ignition switch ON
Signal (terminal)
Voltage signal transmitted from engine coolant temperature sensor to ECM
Threshold
An excessively high voltage from the sensor is sent to ECM
Diagnosis delay time
—
POSSIBLE CAUSEP0117
Harness or connectors (The sensor circuit is open or shorted...