Nissan Murano: Door & Lock :: Removal and Installation / Radiator Core Support
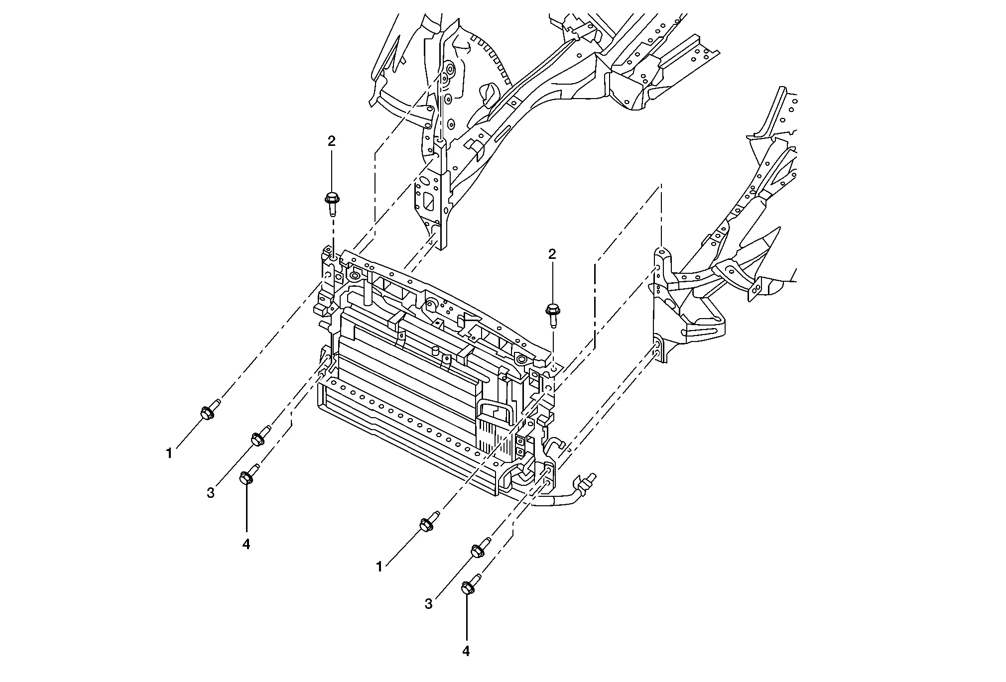
Exploded View

| 1. |
Secondary latch bracket |
2. |
Radiator core support |
A. |
Refer to Removal and Installation. |
Removal and Installation
CAUTION:
When removing radiator core support upper, be careful not to damage painted surface.
REMOVAL
Remove radiator. Refer to Removal and Installation.
Remove active grille shutter. Refer to Removal and Installation.
Remove crash zone sensor. Refer to Removal and Installation.
Remove bolts and radiator core support.
INSTALLATION
Installation is in the reverse order of removal.
CAUTION:
-
Tighten bolts to specified torque.
-
When installing radiator core support, tighten core support bolts in sequence shown.
| Radiator core support bolts |
:21.1 N·m (2.2 kg-m, 16 ft-lb) |

Removal and Installation
REMOVALSupport hood assembly using a suitable tool.
WARNING:
Bodily injury may occur if hood assembly is not supported properly when removing hood stay...
Exploded View
1.
Front fender corner finisher
2.
Front fender
3.
Hoodledge cover
4.
Front fender front bracket
5.
Front fender rear bracket
6...
Other information:
Symptom Table
The diagnosis item number indicates the order of check. Start checking in the order from 1.
Perform diagnoses of symptom table 1 before symptom table 2.
Symptom Table 1 Symptom Engine system CAN communication line Transmission range switch (P0705, P0706) Input speed sensor (P0715, P0716, P0717) Primary speed sensor (P0791, P0792, P0793) Secondary speed sensor (P2765, P2766, P2767) CVT fluid temperature sensor (P0711, P0712, P0713) Primary pressure sensor (P084C, P084D) Secondary pressure sensor (P0841, P0847, P0848) Torque converter clutch solenoid valve (P0740, P0743, P0744) Manual mode switch Stall test CVT position Power supply Control valve CVT fluid level and state Ignition switch and starter
Work Flow DTC Index Work Procedure Inspection and Adjustment Diagnosis Procedure Removal and Installation (front wheel drive) or Removal and Installation (all wheel drive) Inspection Wiring Diagram, Wiring Diagram - IGNITION POWER SUPPLY -
Shift Shock
Large shock (N→ D position)
1
4
8
3
6
2
9
5
Large shock (N→ R position)
1
4
8
3
6
2
9
5
Shock is too large for lock-up...
Values on the Diagnosis Tool
NOTE:
The following table includes information (items) inapplicable to this Nissan Murano vehicle. For information (items) applicable to this vehicle, refer to CONSULT display items:
Monitor Item Condition Value/Status
MOTOR FAN REQ
Engine idle speed
Changes depending on engine coolant temperature, air conditioner operation status, Nissan Murano vehicle speed, etc...
Categories

The autolight system allows the headlights
to turn on and off automatically. The autolight
system can:
Turn on the headlights, front parking,
tail, license plate and instrument panel
lights automatically when it is dark.
Turn off all the lights (except daylight
running lights) when it is light.
Keep all the lights on for a period of time
after you place the ignition switch in the
OFF position and all doors are closed.
read more