
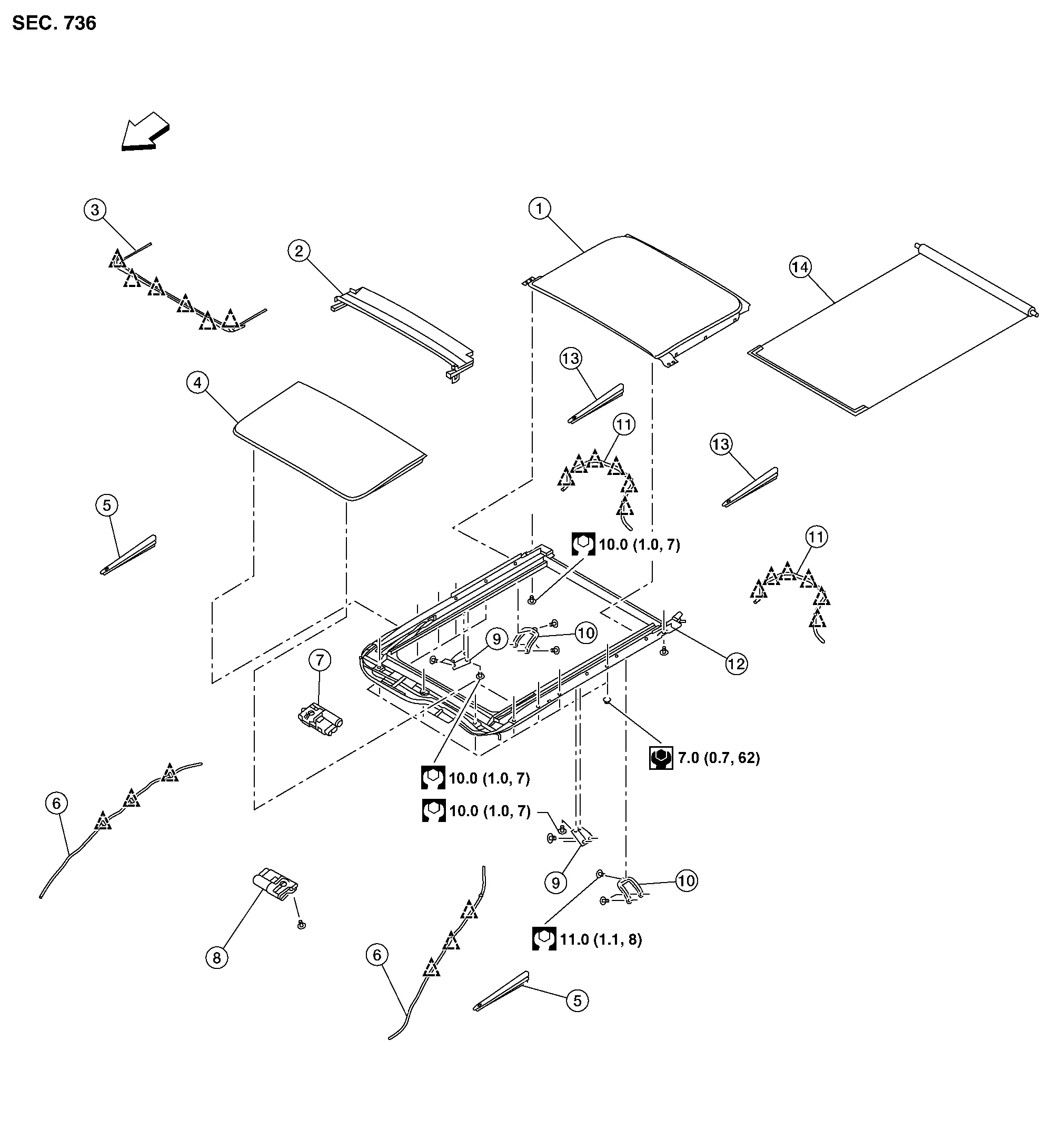
| 1. | Panoramic roof glass | 2. | Moonroof drain | 3. | Wind deflector |
| 4. | Glass lid | 5. | Side trim covers (LH/RH) | 6. | Front drain hose (LH/RH) |
| 7. | Moonroof motor assembly | 8. | Sunshade motor assembly | 9. | Moonroof front bracket (LH/RH) |
| 10. | Moonroof rear bracket (LH/RH) | 11. | Rear drain hose (LH/RH) | 12. | Moonroof unit assembly |
| 13. | Rear trim covers (LH/RH) | 14. | Sunshade | ![]() |
Front |
![]() |
Pawl | ![]() |
Clip |
REMOVAL
Close glass lid.
Remove the headlining. Refer to Removal and Installation.
Disconnect harness connector (A) from moonroof motor assembly (1).

CAUTION:
Do not run the removed moonroof motor assembly as a single unit.
Remove moonroof motor assembly screws (B) and release from moonroof unit assembly (2)
: Front
INSTALLATION
Move moonroof motor assembly laterally little by little so that the gear is completely engaged into the wire on the moonroof unit assembly, and the mounting surfaces become parallel. Install the moonroof motor assembly screws and tighten.
CAUTION:
Before installing the moonroof motor unit, be sure to place the link and wire assembly in the symmetrical and fully closed position.
NOTE:
If necessary, insert a suitable tool into the drive key and rotate right or left slightly to assist in complete moonroof motor gear alignment.
Remainder of installation is in the reverse order of removal.
CAUTION:
When replacing moonroof motor unit, be sure to perform “ADDITIONAL SERVICE WHEN REPLACING CONTROL UNIT”. Refer to Special Repair Requirement.
Glass Lid
Moonroof Unit Assembly