Nissan Murano: Removal and Installation / Ecm
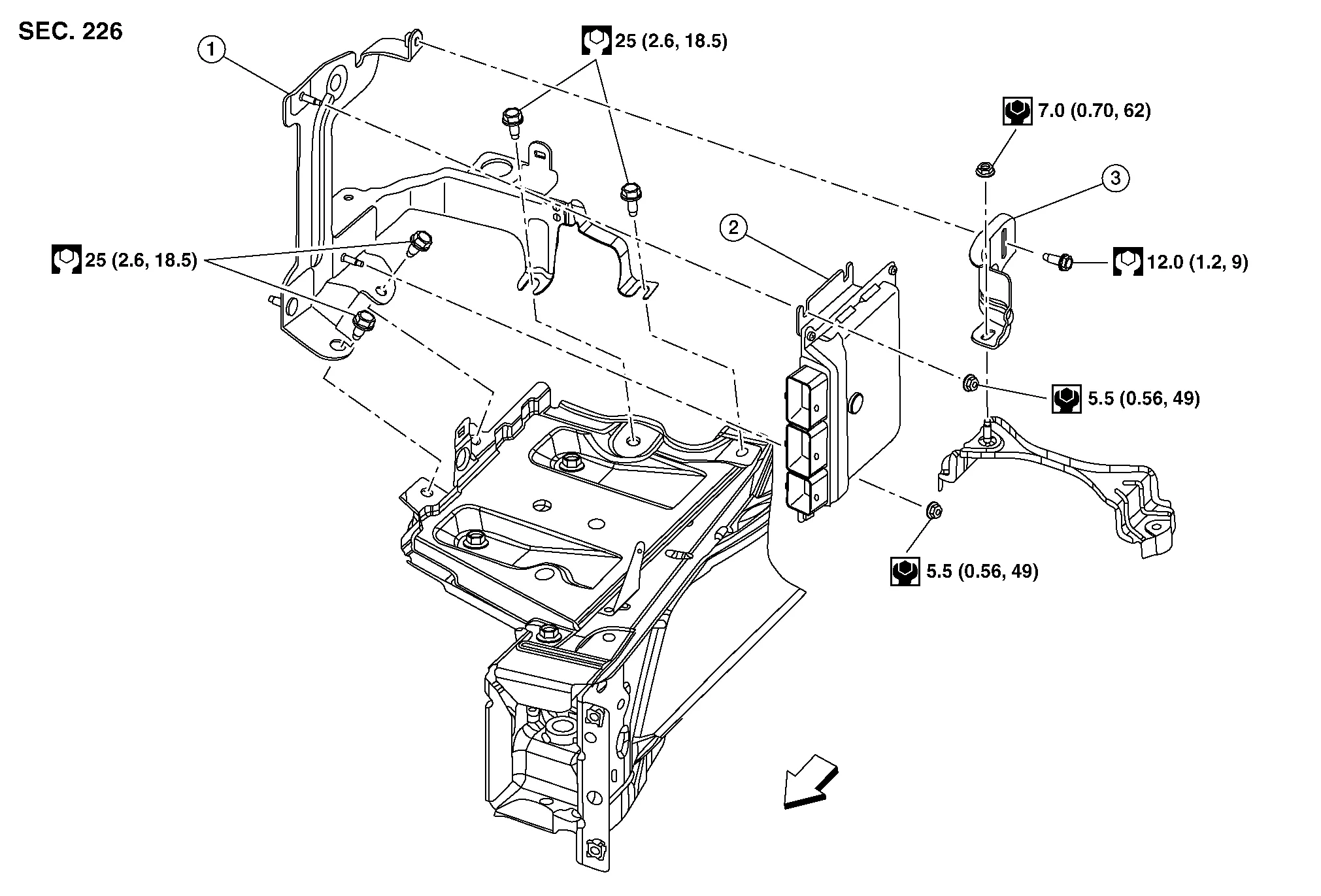
Exploded View

| 1. |
ECM bracket |
2. |
ECM |
3. |
ECM cover |
 |
Front |
|
|
|
|
Removal and Installation
CAUTION:
Perform ADDITIONAL SERVICE WHEN REPLACING ECM. Refer to Description.
REMOVAL
Remove front air duct. Refer to Removal and Installation.
Remove battery. Refer to Removal and Installation.
Disconnect the harness connectors from ECM. Refer to Harness Connector.
Remove ECM nuts. Refer to Exploded View.
Remove the ECM.
INSTALLATION
Installation is in the reverse order of removal.
Exploded View
1.
Fuel pump control module (FPCM)
2.
FPCM bracket
Front
Removal and Installation
REMOVALLift luggage floor rear finisher and locate fuel pump control module (FPCM) behind luggage mask...
Other information:
DTC Description
DTC DETECTION LOGIC DTC No.
CONSULT screen items
(Trouble diagnosis content) DTC detection condition
C1A00-44
CONTROL UNIT
(Control unit)
Diagnosis condition
When engine is running
Signal (terminal)
—
Threshold
ADAS control unit internal malfunction
Diagnosis delay time
1 second or less
POSSIBLE CAUSEADAS control unitFAIL-SAFEThe following systems are canceled:
Vehicle-to-vehicle distance control mode
Conventional (fixed speed) cruise control mode
Automatic Emergency Braking (AEB) with pedestrian detection
Automatic Emergency Braking (AEB)
Intelligent Forward Collision Warning (I-FCW)
Lane Departure Warning (LDW)
Intelligent Lane Intervention (I-LI)
Blind Spot Warning (BSW)
Rear Cross Traffic Alert (RCTA)
Rear Automatic Braking (RAB)
Traffic Sign Recognition (TSR)
Intelligent Drive Alertness (I-DA)
Confirmation Procedure
PERFORM DTC CONFIRMATION PROCEDURE
CONSULT
Start the engine...
DTC Description
DTC DETECTION LOGIC DTC No. CONSULT screen terms (Trouble diagnosis content) DTC detection condition
C1606
EPS MOTOR
(EPS motor)
Diagnosis condition
When engine is running.
Signal (terminal)
—
Threshold
Power steering motor failure or power steering control module motor driver failure
Diagnosis delay time
1 second or more
POSSIBLE CAUSE
Harness or connectors
Power steering control motor
Power steering control module
FAIL-SAFEManual steering state
DTC Confirmation Procedure
PRECONDITIONING
If “DTC CONFIRMATION PROCEDURE” has been previously conducted, always place the ignition switch in the OFF position and wait at least 10 seconds before conducting the next test...
Categories

LATCH system lower anchor locations -
bench seat
Your vehicle is equipped with special anchor
points that are used with LATCH system
compatible child restraints. This system
may also be referred to as the ISOFIX
or ISOFIX compatible system. With this system,
you do not have to use a vehicle seat
belt to secure the child restraint unless the
combined weight of the child and child restraint
exceeds 65 lbs. (29.5 kg). If the combined
weight of the child and child restraint
is greater than 65 lbs. (29.5 kg), use the vehicle’s
seat belt (not the lower anchors) to
install the child restraint. Be sure to follow
the child restraint manufacturer’s instructions
for installation.
read more