
| 1. | Camshaft (EXH) journal (No. 1) | 2. | Timing chain tensioner (secondary) | 3. | Camshaft (EXH) |
| 4. | Camshaft (INT) journal (No. 2) | 5. | Camshaft (INT) | 6. | Cylinder head (bank 2) |
| 7. | Main oil gallery | 8. | Upper oil pan | 9. | Piston oil jet |
| 10. | Oil pan oil gallery | 11. | Oil cooler | 12. | Oil filter |
| 13. | Oil strainer | 14. | Oil pump | 15. | Timing chain oil jet |
| 16. | Timing chain case oil gallery | 17. | Timing chain tensioner (primary) | 18. | Timing chain case |
| 19. | Intake valve timing control solenoid valve (bank 2) | 20. | Valve timing control cover (bank 2) | 21. | Exhaust valve timing control solenoid valve (bank 2) |
| 22. | Intake valve timing intermediate lock control solenoid valve (bank 2) | 23. | Front cover | A. | To timing chain case |
| B. | From timing chain case | ![]() |
Engine front |

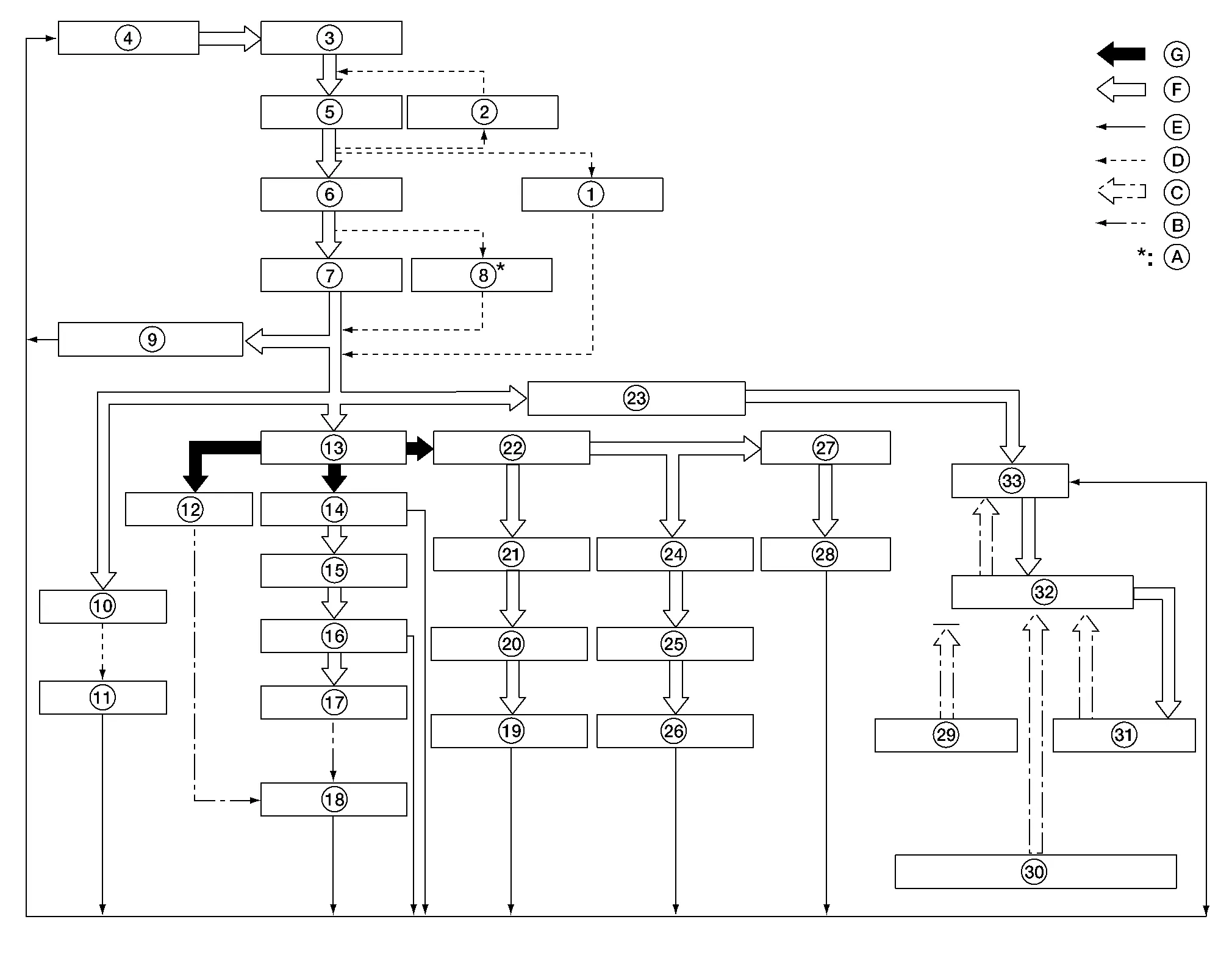
| 1. | Relief valve | 2. | Regulator valve | 3. | Oil strainer |
| 4. | Oil pan | 5. | Oil pump | 6. | Oil cooler |
| 7. | Oil filter | 8. | Relief valve | 9. | Timing chain tensioner (primary) |
| 10. | Timing chain oil jet | 11. | Timing chain | 12. | Piston oil jet |
| 13. | Main oil gallery | 14. | Main bearing | 15. | Crankshaft |
| 16. | Connecting rod bearing | 17. | Connecting rod | 18. | Piston |
| 19. | Intake camshaft journal (No. 3, 4) | 20. | Camshaft oil passage | 21. | Intake camshaft journal (No. 2) |
| 22. | Cylinder head oil gallery | 23. | Rear timing chain case | 24. | Exhaust camshaft journal (No. 1) |
| 25. | Camshaft oil passage | 26. | Exhaust camshaft journal (No. 2, 3, 4) | 27. | Timing chain tensioner (secondary oil gallery) |
| 28. | Timing chain tensioner (secondary) | 29. | Intake valve timing control solenoid valve (bank 2) | 30. | Exhaust valve timing control solenoid valve (bank 2) |
| 31. | Intake valve timing intermediate lock control solenoid valve (bank 2) | A. | Built into oil filter | B. | Oil injection |
| C. | Return oil passage | D. | Bypass | E. | To oil pan |
| F. | Oil passage | G. | Main oil gallery |
Engine Lubrication System :: Preparation. Preparation
The gauge indicates the approximate fuel level in the tank.
The gauge may move slightly during braking, turning, acceleration, or going up or down hills.
The gauge needle returns to 0 (Empty) after the ignition switch is placed in the OFF position.